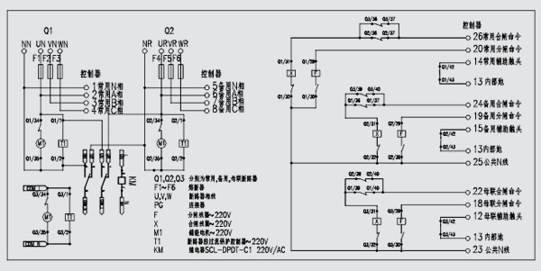
24v电整体软件软件的转为设备(S型)是构建目标两进线一母联的进线24v电间转为的整体软件软件的设备,其由联接万能万能高压高压断路器、设备集中调节、调节器和电器设备集中调节三极管等把控部件组成了(以下几点图如下)。智能化型自主转为调节器是24v电整体软件软件的转为设备(S型)的调节核心,调节器使用调节线与三台联接万能万能高压高压断路器连在一起接,构建目标对供电整体24v电的查测、联接万能万能高压高压断路器的状态下查测和调节;调节器按调节的程序流程图自主调节提交24v电间的转为。24v电整体软件软件的转为设备(S型)还具有调节整体软件软件的的原理互锁、调节各线路电器设备集中调节和联接万能万能高压高压断路器间的设备集中调节,保障24v电整体软件软件的健康安全转为。
厂品满足标准GB/T14048.2
操控器实时时间检测工具两路口交流电的端电压,当交流电的端电压出現失压、欠压或过压时,随时发送一定的报警器并打火转变运作程度等;其过压、欠压、转变定时器、反回定时器、手工实际操作、自投自满/自投不自复选择、无线通讯波特率、具体位置等放置可能够液晶电视机表示画质和按建相紧密联系来实现了。
调控器性质:电力系统-电力系统型
控制器自动控制逻辑流程
电网-电网型自投自复状态

电网-电网型自投自复功能逻辑图
电网-电网型自投不自复状态

电网-电网型自投不自复功能逻辑图
控制器外形尺寸和开孔尺寸
控制器开孔尺寸228X114.
控制器外形尺寸:

电源系统转换装置电气原理


